Volvo Classic Academy
  • About
  • Zoeken

700 serie / 740 serie 1988 - 1990 / Koeling / Onderdelenboek

B200ET, B230ET, B230FT Oliekoeling
B200ET, B230ET, B230FT Oliekoeling
B204FT, B204GT Oliekoeling
B204FT, B204GT Oliekoeling
D24, D24T, D24TIC Oliekoeling
D24, D24T, D24TIC Oliekoeling
D24T Oliekoeling
D24T Oliekoeling
D24TIC Oliekoeling
D24TIC Oliekoeling
Elec Fan 4 cil
Elec Fan 4 cil
Fan 4 cil DSL
Fan 4 cil DSL
Koelsysteem 4 cil
Koelsysteem 4 cil
Koelsysteem D24, D24T, D24TIC
Koelsysteem D24, D24T, D24TIC
Koelsysteem Reparatie
Koelsysteem Reparatie
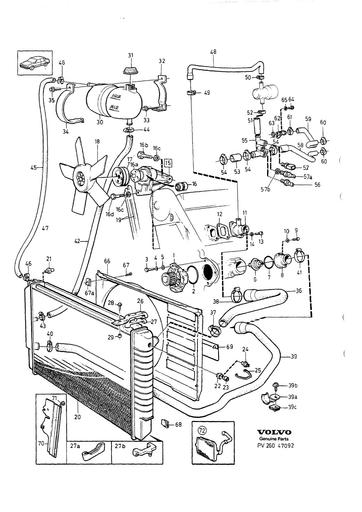
Radiator B200, B230 Turbo, B204GT
Radiator B200, B230 Turbo, B204GT
Radiator D24TIC
Radiator D24TIC
  • About
  • Zoeken