Laplander / C202 / Achteras / Onderdelenboek
Achteras
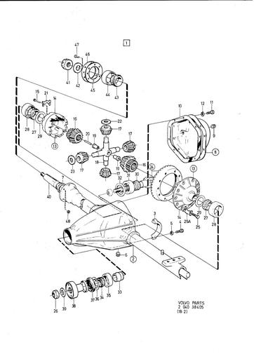
Achteras 1563638
Bladveer achter
Vering achter