700 serie / 740 serie 1988 - 1990 / Electrisch systeem / Onderdelenboek
Accu B200E, B230E, B200F, B230F
Accu B200ET, B230ET, B230FT
Accu B200K, B230K
Accu B204E, B234F
Accu B204FT, B204GT
Accu D24, D24T, D24TIC
Achterlicht 4 drs 1989
Achterlicht 4 drs 1990
Achterlicht 5 drs
Centrale deurvergrendeling
Claxons
Clignoteurs 1989
Clignoteurs 1990 1
Clignoteurs 1990 2
Connectoren
Derde remlicht
Dynamo
Dynamo 1348506, 3515042
Dynamo 1362684
Dynamo 1363493, 1363494
Dynamo 1363495, 3515930, 3523044
Dynamo 1363497, 1363511
Dynamo B200E, B230E
Dynamo B200ET, B200F, B230F
Dynamo B200K, B230K
Dynamo B204E, B204GT, B234F, B204FT
Dynamo B230ET, B230FT, B230GT
Dynamo D24, D24T
Dynamo D24TIC
Dynamo reparatieset
Elec distributie Centre
Interieur verlichting
Kabelboom 5e deur
Kabelboom ABS en Snelheidsmeter
Kabelboom Cabine 4 drs
Kabelboom Cabine 5 drs
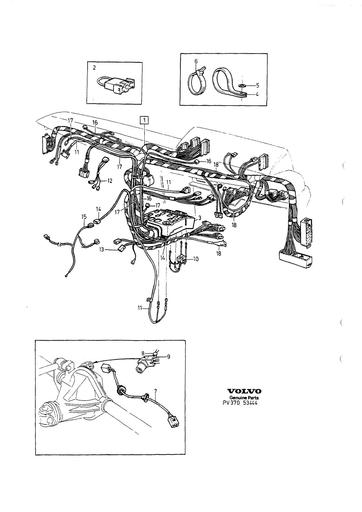
Kabelboom Dashboard
Kabelboom motorcompartiment 1
Kabelboom motorcompartiment 2
Kabelboom Versnellingsbak
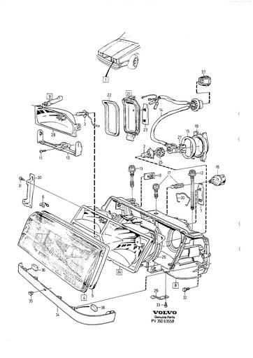
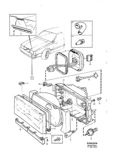
Koplamp, met regeling 1990
Koplamp, met regeling 1990 2
Koplamp, zonder regeling 1990
Koplamp, zonder regeling 1990 2
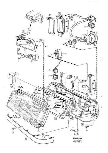
Koplampen 1989
Lampenset
Relais divers
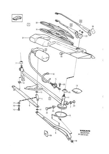
Ruitenwisser 5e deur
Ruitenwisser 5e deur watertoevoer
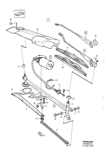
Ruitenwissers Elektrolux 2 LHD
Ruitenwissers Elektrolux 2 RHD
Ruitenwissers Elektrolux LHD
Ruitenwissers Elektrolux RHD
Ruitenwissers SWF LHD
Ruitenwissertankje 1989
Ruitenwissertankje 1990
Schakelaar richtingaanwijzers
Schakelaars
Startmotor 4 cil Bosch 1,4kW
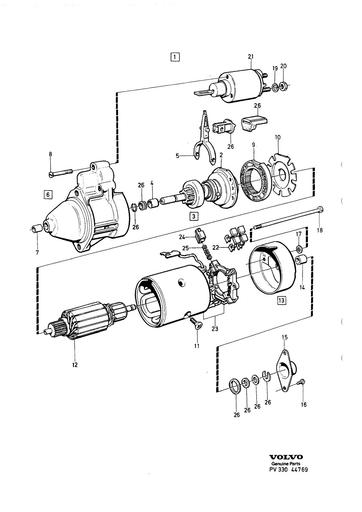
Startmotor 4 cyl Bosch
Startmotor DSL Bosch
Startmotor DSL Hitachi
Startmotor montage 4 cil, DSL
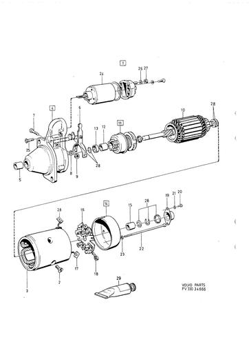
Startmotor Reparatie
Tankzender
Verstralers 1989
Wissers koplamp 1989
Wissers koplamp 1990 1
Wissers koplamp 1990 2